Ürünler
Otomatik Işık Anahtarı Zamanlayıcısı
  • Otomatik Işık Anahtarı ZamanlayıcısıOtomatik Işık Anahtarı Zamanlayıcısı
  • Otomatik Işık Anahtarı ZamanlayıcısıOtomatik Işık Anahtarı Zamanlayıcısı
  • Otomatik Işık Anahtarı ZamanlayıcısıOtomatik Işık Anahtarı Zamanlayıcısı
  • Otomatik Işık Anahtarı ZamanlayıcısıOtomatik Işık Anahtarı Zamanlayıcısı

Otomatik Işık Anahtarı Zamanlayıcısı

XUCKY yüksek kaliteli otomatik ışık anahtarı zamanlayıcısı, DIN rayında ALST8 merdiven zaman anahtarı mevcuttur. Çalışma süresi 1 dakikadan 7 dakikaya kadardır ve elektronik aşırı yük korumasıyla donatılmıştır.

XUCKY yüksek kaliteli otomatik ışık anahtarı zamanlayıcısı, DIN rayında ALST8 merdiven zaman anahtarı mevcuttur. Çalışma süresi 1 dakikadan 7 dakikaya kadardır ve elektronik aşırı yük korumasıyla donatılmıştır.

● Sürekli ışığın AÇIK olması için geçiş anahtarı

● Kapalı devre akım tüketimi yok

● Harici basmalı anahtar kontrolü

● Senkron motor sürücüsü sayesinde güvenilir

● Parazite karşı düşük hassasiyet

● Hassas mekanikler ve dolayısıyla kesin anahtarlama periyodu

● Mümkün olan en basit zaman ayarı ve mutlak ölçekte doğrudan gecikme süresi okuması


Tanım

XUCKY yüksek kaliteli otomatik ışık anahtarı zamanlayıcısı, 1 dakikadan 7 dakikaya kadar geri sayım süresiyle belirli bir devreyi kapatmak için bir elektrik anahtar kutusundaki uygulama içindir. Aynı zamanda normal bir açma/kapama düğmesi olarak da çalışabilir. Geri sayım süresi anahtarı, daha fazla rahatlık kontrolü için farklı konumlardaki birçok anahtarla (neon anahtarlı veya neonsuz) bağlantıya izin verir.


Ürün Seçimi

Gerilim

230Vac

Sıklık

30W

Anahtarlama kapasitesi

16A


Önerilen Maksimum Yük (10.000 işlem)

Akkor/halojen lamba yükü 230V

Floresan lamba yükü (geleneksel) öncü gecikme devresi

Floresan lamba yükü (geleneksel) paralel düzeltmeli

Enerji tasarruflu lambalar

LED lamba < 2 W

LED lamba 2–8 W

LED lamba > 8 W

2300W

2300 VA

1300 VA 70 uF

150W

30W

300W

300W


Teknik Veriler

Floresan lamba yükü (elektronik balast)

600W

Bağlantı türü

3-/4-iletkenler

İkincil anahtarlama

30'lu yıllardan sonra

Muhafaza ve yalıtım malzemesi

Yüksek sıcaklığa dayanıklı, kendi kendine sönen termoplastik

Bekleme tüketimi

0 W

Koruma türü

IP 20

Koruma sınıfı

EN 60 730-1'e göre II

İzin verilen ortam sıcaklığı

-10 ~ +50 °C (buzlanma olmadan)

Test onayı

CE


Özellikler

Nominal akım 230V~ 50Hz
2300 VA 16A, Maksimum 3680W
endüktif yük 230V~, 4A /cosΦ0,4
Geri sayım süresi 0 ila 1 dakika: ±10 saniye
Kesinlik 0 ila 1 dakika: ±10 saniye
0 ila 7 dakika: ±18 saniye
IP Derecelendirmesi IP20
Çalışma sıcaklığı -10°C ila 55°C


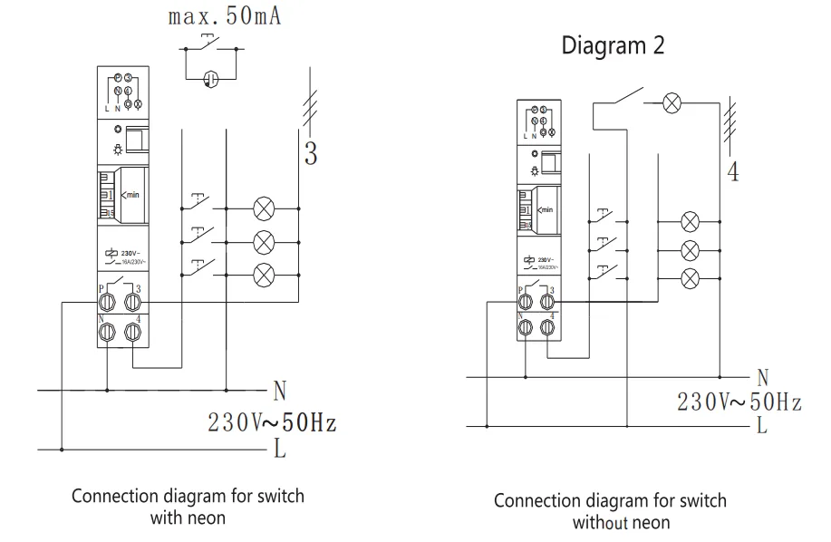
Bağlantı Şemaları


Montaj ve Bağlantı

1. Elektrik anahtar kutusuna kolay kurulum için tasarlanmıştır; zamanlayıcıyı korkuluğa asın ve "klik" sesini duyana kadar bastırın. Çıkarmak için, zamanlayıcının alt kısmında bulunan mandalı aşağı çekerek serbest bırakın.

2.Zaman anahtarı, anahtarla (neon ışıklı veya neon ışıksız) bağlantıya izin verir.

a.Neonlu anahtar için Diyagram 1'de ve neonsuz anahtar için Diyagram 2'de gösterildiği gibi kabloları bağlayın.

b.Düğmeyi -konumlarına çevirin, güç her zaman açıktır.

c.Geri sayım fonksiyonları için, zaman düğmesini istenen geri sayım süresine (1 dakikadan 7 dakikaya kadar) çevirin.

d.Ardından anahtarı konumlarına getirin, güç kapanır Zaman anahtarı geri sayım fonksiyonu için bekleme modundadır.

e.Geri sayım fonksiyonunu etkinleştirmek için neon düğmesine basın, güç açılır. Önceden ayarlanan zamana göre otomatik olarak kapanacaktır.

XUCKY yüksek kaliteli otomatik ışık anahtarı zamanlayıcısı, DIN rayında ALST8 merdiven zaman anahtarı mevcuttur. Çalışma süresi 1 dakikadan 7 dakikaya kadardır ve elektronik aşırı yük korumasıyla donatılmıştır.

g.Neonsuz anahtar için, kolay kontroller için farklı konumlara gerektiği kadar bağlayabilirsiniz.

3.Zaman anahtarı geri sayım modundayken, şu şekilde arayüz olmayacaktır:

Bağlı anahtara basmak (hem neon anahtarlı hem de neonsuz). Zaman düğmesini farklı geri sayım periyoduna çevirmek.



Sıcak Etiketler: Otomatik Işık Anahtarı Zamanlayıcısı, Çin, Üretici, Tedarikçi, Fabrika
Talep Gönder
İletişim bilgileri

Ücretsiz Teklifinizi ve Örnek Özel Çözümünüzü Talep Edin

Özelliklerinize göre özelleştirilmiş rekabetçi bir fiyat teklifiyle birlikte bugün bir soruşturma gönderin.

X
Size daha iyi bir gezinme deneyimi sunmak, site trafiğini analiz etmek ve içeriği kişiselleştirmek için çerezleri kullanıyoruz. Bu siteyi kullanarak çerez kullanımımızı kabul etmiş olursunuz. Gizlilik Politikası
Reddetmek Kabul etmek